| Area |
 |
Power system protection / Protection using telecommunication |
 |
|
| IEV ref |
 |
448-15-11 |
 |
|
en |
 |
permissive underreach protection PUP (abbreviation) permissive underreaching transfer trip protection (US) PUTT (US) (abbreviation) |
 |
 |
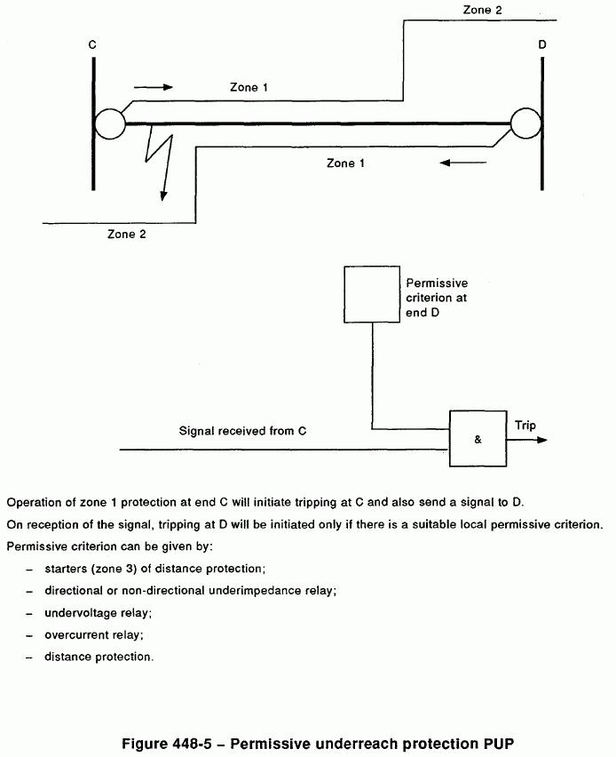
protection, generally distance protection, using telecommunication, with underreach protection at each section end and in which a signal is transmitted when a fault is detected by the underreach protection. Receipt of the signal at the other end initiates tripping if other local permissive protection at the other end has detected the fault See figure 448-5.
|
 |
|
fr |
 |
protection à portée réduite et à autorisation, f |
 |
 |
protection, en général une protection de distance, à liaison de transmission, avec une protection à portée réduite à chaque extrémité de la section, et dans laquelle un signal est transmis lors de la détection d'un défaut par la protection à portée réduite. A l'autre extrémité, la réception de ce signal commande le déclenchement si une autre protection locale à autorisation a détecté le défaut Voir figure 448-5.
|
 |
|
ar |
 |
حماية ذات امتداد مقصر و سماح |
|
de |
 |
Selektivschutz mit Unterreichweite und Fernauslösung mit Freigabe, m |
|
es |
 |
protección con subalcance permisivo |
|
fi |
 |
salliva aliulottuva suojaus |
|
it |
 |
protezione a zona ridotta con consenso |
|
ko |
 |
제어 미달 보호 제어 언더리치 보호 |
|
ja |
 |
条件付アンダリーチ保護 |
|
mn |
 |
дутуу хамрах хүрээтэй, зөвшөөрдөг реле хамгаалалт богиносгосон хамрах хүрээтэй, алсаас таслах үйлдлийг зөвшөөрдөг реле хамгаалалт |
|
no |
nb |
televern med tillatende underrekkevidde |
|
|
no |
nn |
televern med tillatande underrekkjevidd |
|
|
pl |
 |
zabezpieczenie ze skróconym zasięgiem i lokalnym przyzwoleniem (wyłączenia) |
|
pt |
 |
protecção por permissão com subalcance |
|
sl |
 |
dopustna zaščita s skrajšanim dosegom |
|
sr |
 |
телезаштитна шема са скраћивањем домета, ж јд |
|
sv |
 |
tillåtande underräckande skydd |
|
zh |
 |
允许式欠范围保护 PUP |