| Area |
 |
Power system protection / Protection using telecommunication |
 |
|
| IEV ref |
 |
448-15-02 |
 |
|
en |
 |
non-unit protection using telecommunication directional comparison protection (US) |
 |
 |
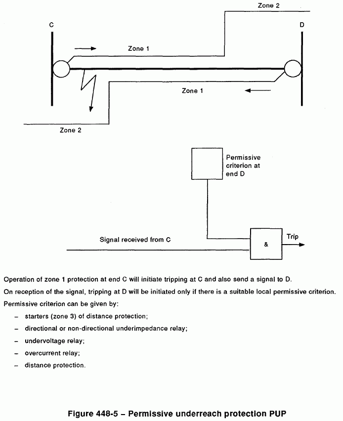
non-unit protection in which signals are transmitted by telecommunication to trip permissively or to intertrip remote circuit-breaker(s) for an internal fault or to block tripping for an external fault Refer to figures 448-5 to 448-10 inclusive.





|
 |
|
fr |
 |
protection à sélectivité relative de section et à liaison de transmission, f |
 |
 |
protection à sélectivité relative de section dans laquelle des signaux sont transmis par une liaison de transmission pour autoriser à déclencher ou pour télédéclencher un ou plusieurs disjoncteurs éloignés, lors d'un défaut interne, ou pour verrouiller leur déclenchement lors d'un défaut externe Se reporter aux figures 448-5 à 448-10 comprise.





|
 |
|
ar |
 |
حماية ذات تمييز نسبي للمقطع تستخدم الاتصالات عن بعد |
|
de |
 |
Selektivschutz mit relativer Selektivität und Informationsübertragung, m |
|
es |
 |
protección con selectividad relativa y con telecomunicación protección de alcance indefinido y con telecomunicación |
|
fi |
 |
viestiyhteyttä käyttävä porrastetusti selektiivinen suojaus |
|
it |
 |
protezione a selettvità relativa con telecomunicazione |
|
ko |
 |
원격 통신 비장치 보호 |
|
ja |
 |
非ユニットパイロット保護 |
|
mn |
 |
дохиог холбооны сувгаар дамжуулдаг бие даасан реле хамгаалалт чиглэлийн харьцуулалтын реле хамгаалалт |
|
no |
nb |
televern med relativ selektivitet |
|
|
no |
nn |
televern med relativ selektivitet |
|
|
pl |
 |
telezabezpieczenie jednostronne |
|
pt |
 |
protecção não unitária utilizando telecomunicações |
|
sl |
 |
relativno selektivna zaščita s telekomunikacijsko povezavo |
|
sr |
 |
допунске телезаштитне функције на бази детекције усмерења, ж мн |
|
sv |
 |
kommandostyrt sträckskydd |
|
zh |
 |
非单元纵联保护 |